MAIN /   PRODUCT /   SOLUTION /   CONTROL /   PARTS /   SERVICE  

 
 
 
CONTROL SYSTEM
Professional Power Solutions
 
   
 
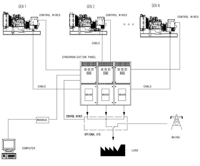
Paralleling System

----------------------------------

AUTOMATIC SYNCHRONIZATION SYSTEM

 
 
 
FEATURES

Back-Lit LCD 4 Line text display
Automatic start/manual start
Automatic Load share
RS232 & 485 remote communications
PC Configuration
Data Logging and Trending
Support Maximum 32 units paralleling

 
Main Function
Manual/auto start?generator & circuit breaker
LCD indicate Oil Pressure, Water Temp, Battery Voltage, Time, Three Phase Voltage/current, Frequency, Power factor, KVA,KVAR,KW,KWH
Protection of low oil pressure, high water temp, over speed, speed signal loss, low battery voltage, charge failure and sensor failure.


 
 
 
 
------------------------------------------------------------------------------------------------------------------------------------------------------------------------------------------------
PROPOWER (WUXI) ELECTRIC SYSTEMS CO.,LTD.
WUXI PROPOWER INTERNATIONAL TRADING COMAPNY
{ T: +86-510-85160118   F: +86-510-85162268   kevin@propowersystems.com }

Copyright 2015 propowersystems.com all rights reserved. Designed by TOPUNION